Web Manager / Assistant Engineer
この記事の執筆:朝比奈 幸太郎
音大卒業後、ピアニストとして渡独。
ドイツにてAchim Tangと共に『ピアノとコントラバスのためのソナタ』をリリース。
現地でステファン・デザイアー氏よりマルチマイク技術を習得。
帰国後、タイムマシンレコードの五島昭彦氏に弟子入り。
ステレオペア録音技術を学ぶ。
現在は五島氏より金田式DC録音技術を承継しながら
マイクロフォンの制作やヒーリング音響ブランドの展開。
タイムマシンレコードでは、引き続き金田式DC録音のアシスタントエンジニアとしてRevoxのレストア技術やサイトの管理、金田式の録音哲学と技術の継承に務めている。
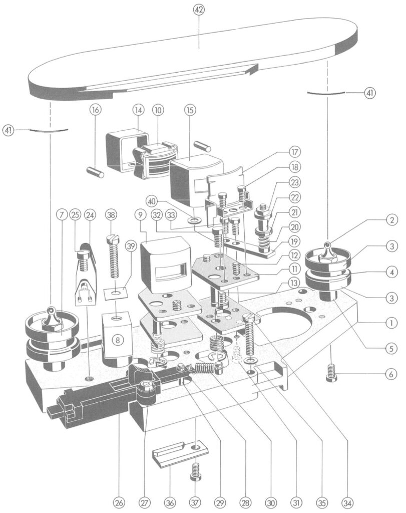
この記事を読むことでB77の全体図を把握することができます。
※こちらも現在加筆中です(2026年1月時点)
またネジを紛失してしまった場合でも購入しやすい用に各部わかる範囲でリストアップしています。
一部の特殊なワッシャーやほとんどのネジはホームセンターで揃いますが、見つからない場合はモノタロウやミスミ、3Dプリンターなどを駆使しましょう。

| INDEX | QTY | ORDER NUMBER | PART NAME |
|---|---|---|---|
| 01 | 1 | 1.177.100.01 | Tape drive chassis |
| 02 | 1 | 1.177.100.09 | Push button |
| 03 | 1 | 1.177.100.07 | Push button switch |
| 04 | 1 | 29.26.1022 | Solder lug |
| 05 | 2 | 20.21.7154 | Self-tapping screw |
| 06 | 1 | 1.177.131.00 | Base plate, compl. MKI |
| 1 | 1.177.813.00 | Base plate, compl. MKII | |
| 07 | 1 | 1.010.024.37 | Tension spring |
| 08 | 3 | 21.26.0354 | Screw M3x6 |
| 09 | 1 | 1.177.132.00 | Lever left, riveted MKI |
| 1 | 1.177.812.00 | Lever left, riveted MKII | |
| 10 | 1 | 1.177.133.00 | Lever right, riveted MKI |
| 1 | 1.177.811.00 | Lever right, riveted MKII | |
| 11 | 1 | 1.177.120.01 | Dog pin |
| 12 | 1 | 21.26.2354 | Screw M3x6 |
| 13 | 1 | 1.177.123.00 | Pinch roller arm with shaft |
| 14 | 1 | 1.010.025.37 | Tension spring |
| 15 | 1 | 1.067.100.06 | Anchor pin |
| 16 | 1 | 21.59.5452 | Set screw M4 |
| 17 | 3 | 21.26.0356 | Screw M3x10 |
| 18 | 1 | 1.080.112.06 | Adjusting ring |
| 19 | 1 | 1.177.125.00 | Pinch roller arm bearing |
| 20 | 1 | 1.177.126.00 | Plunger compl. |
| 21 | 1 | 1.014.710.00 | Pinch roller solenoid compl. without plunger |
| 22 | 2 | 23.01.3043 | Washer |
| 23 | 2 | 21.26.0454 | Screw M4x6 |
| 24 | 1 | 1.177.120.02 | Lever |
| 25 | 2 | 21.26.0455 | Screw M4x8 |
| 26 | 3 | 21.26.0459 | Screw M4x18 |
| 27 | 1 | 31.99.0106 | Rubber ring |
| 28 | 1 | 1.167.178.82 | Pinch roller compl. |
| 29 | 1 | 1.177.100.25 | Pinch roller cover |
| 30 | 1 | 21.27.2355 | Screw M3x8 |
| 31 | 1 (MKI) | 1.177.421.00 | Tape transport cover (DOLBY) |
| 1 (MKI) | 1.177.419.00 | Tape transport cover (AUTO START) | |
| (MKI) | 1.177.414.00 | Tape transport cover (DIA PILOT) | |
| (MKI) | 1.177.412.00 | Tape transport cover (SIMDA) | |
| (MKI) | 1.177.417.00 | Tape transport cover (SYNC) | |
| (MKII) | 1.177.494.00 | Tape transport cover (SYNC) | |
| (MKII) | 1.177.491.00 | Tape transport cover (STANDARD) | |
| 32 | 5 | 21.27.0462 | Screw M4x25 |
| 33 | 3 | 21.26.0354 | Screw M3x6 |
| 1 | 1.177.140.00 | Tape guide pin compl. | |
| 34 | 1 | 1.177.142.00 | Base plate |
| 35 | 1 | 22.13.8040 | Hexagonal nut M4 |
| 36 | 1 | 1.177.140.03 | Shaft |
| 37 | 1 | 1.010.025.37 | Tension spring |
| 38 | 1 | 1.177.140.02 | Guide pin |
| 39 | 1 | 1.077.100.09 | Counter |
| 40 | 1 | 21.01.0355 | Screw M3x8 |
| 41 | 2 | 24.99.0107 | Spring washer |
| 42 | 2 | 23.01.2032 | Washer |
| 43 | 1 | 1.077.100.19 | Threaded spacer |
| 44 | 1 | 1.077.100.20 | Rubber cap |
| 45 | 1 | 1.177.140.01 | Lever |
| 46 | 1 | 21.26.0354 | Screw M3x6 |
| 47 | 1 | 1.177.330.00 | |
| 48 | 1 | 1.177.330.01 | Mounting bracket |
| 49 | 1 | 1.177.330.02 | Switch |
| 50 | 1 | 1.177.330.03 | Potmeter |
| 51 | 1 | 1.177.470.00 | 19″-rack version metal-cage housing |
| 52 | 1 | 1.177.450.00 | Standard version molded plastic housing |
| to above | 4 | 20.20.3310 | Screw |
| 4 | 1.010.007.23 | Washer | |
| 1 | 1.177.450.02 | Handle | |
| 53 | 1 | 73.01.001 | Teethead bolt (inside counter assy) |
| 54 | 1 | 1.736.200.04 | Teflon washer |
| 55 | 1.010.041.23 | Washer for height adjustment | |
| 56 | 1.062.101.08 | Brass washer 0.2mm | |
| 1.062.101.09 | Brass washer 0.5mm |

PUSH BUTTON UNIT
| INDEX | QTY | ORDER NUMBER | PART NAME |
|---|---|---|---|
| 1.011.220.00 | Push button unit compl. | ||
| 01 | 1 | 1.011.201.06 | Push button red |
| 02 | 5 | 1.011.201.05 | Push button grey |
| 03 | 6 | 1.010.095.37 | Pressure spring |
| 04 | 6 | 1.011.220.05 | Cylindrical pin |
| 05 | 1 | 1.011.206.01 | Push button housing |
| 06 | 1 | 1.011.205.02 | Snap spring strip |
| 07 | 1 | 1.011.201.02 | Snap spring |
| 08 | 1 | 1.011.206.03 | Insulating strip |

BRAKE SYSTEM
| INDEX | QTY | ORDER NUMBER | PART NAME |
|---|---|---|---|
| 01 | 2 | 21.01.4455 | Screw M4x8 |
| 02 | 2 | 23.01.3043 | Washer |
| 03 | 2 | 37.01.0103 | Cup washer |
| 04 | 2 | 1.067.100.27 | Driver |
| 05 | 2 | 1.077.562.00 | Brake drum |
| 06 | 2 | 1.077.421.00 | Brake band compl. |
| 07 | 1 | 1.077.406.00 | Brake chassis compl. |
| 08 | 1 | 1.077.415.00 | Brake lever |
| 09 | 1 | 1.077.411.00 | Brake lever |
| 10 | 6 | 24.16.3032 | Circlip |
| 11 | 2 | 21.26.0353 | Screw (M3x5 max.) |
| 12 | 2 | 23.01.2032 | Washer M3 |
| 13 | 3 | 21.26.0354 | Screw M3x6 |
| 14 | 1 | 1.014.805.00 | Brake solenoid |
| from | 21618 | 1.014.806.00 | Brake solenoid |
| 15 | 1 | 1.014.803.00 | Plunger to brake solenoid |
| from | 21618 | 1.014.808.00 | Plunger to brake solenoid |
| 16 | 1 | 1.062.210.06 | Tension spring |
| 17 | 2 | 1.077.100-13 | Tension spring |
| 18 | 2 | 1.077.564 | Turntable, metal |
| 19 | 6 | 21.02.0355 | Screw M 3×8, Ni-plated |
| 20 | 2 | 1.077.568.03 | Shaft section, 3-prong |
| 21 | 2 | 1.736.794.03 | Spring, compression |
| 22 | 2 | 1.077.568.02 | Screw, shoulder |
| 23 | individual | 1.736.502.04 | Spacer washer 2mm |
| 1.736.502.05 | Spacer washer 0.5mm | ||
| 1.736.502.13 | Spacer washer thin | ||
| 24 | 4 | 1.040.255.00 | Clip |

TAPE HEAD ASSEMBLY
| INDEX | QTY | ORDER NUMBER | PART NAME |
|---|---|---|---|
| 1.020.300.00 | Tape head assembly compl. 1/4″, 2-track | ||
| 1.020.301.00 | Tape head assembly compl. 1/4″, 4-track | ||
| 01 | 1 | 1.020.300.01 | Tape head chassis |
| 02 | 2 | 1.020.300.06 | Centering screw |
| 03 | 4 | 1.077.121.02 | Tape guide cup |
| 04 | 1 | 1.077.121.04 | Spacer |
| 05 | 2 | 1.020.300.04 | Threaded support |
| 06 | 2 | 21.26.0455 | Screw M4x8 |
| 07 | 1 | 41.99.0102 | Ball bearing |
| 08 | 1 | 1.116.098.01 | Erase head 1/4″, 2-track |
| from | 57329 | 1.116.098.04 | Erase head 1/4″, 2-track |
| 1 | 1.116.099.01 | Erase head 1/4″, 4-track | |
| from | 60977 | 1.116.099.04 | Erase head 1/4″, 4-track |
| 09 | 1 | 1.116.022.00 | Record head 1/4″, 2-track |
| 1 | 1.116.042.00 | Record head 1/4″, 4-track | |
| 10 | 1 | 1.116.027.00 | Reproduce head 1/4″, 2-track |
| 1 | 1.116.047.00 | Reproduce head 1/4″, 4-track | |
| 11 | 2 | 1.020.801.00 | Head mounting plate compl. |
| 12 | 4 | 21.18.6354 | Set screw |
| 13 | 2 | 21.99.0118 | Screw M3x7 |
| 14 | 2 | 1.077.155.05 | Head housing, internal |
| 15 | 2 | 1.077.155.06 | Head housing, outer |
| 16 | 4 | 1.077.155.07 | Plastic pin |
| 17 | 1 | 1.020.311.00 | Shielding lid compl. |
| 18 | 2 | 21.01.0202 | Screw M2x4 |
| 19 | 1 | 1.020.310.00 | Clamp, riveted |
| 20 | 1 | 1.020.820.12 | Pressure spring |
| 21 | 2 | 1.077.145.01 | Guide disk |
| 22 | 1 | 1.077.145.02 | Spacer sleeve |
| 23 | 1 | 22.01.8030 | Nut M3 |
| 24 | 1 | 1.020.320.00 | Light gate compl. |
| to above | 1 | 23.01.3032 | Washer |
| 25 | 1 | 21.26.0354 | Screw M3x6 |
| 26 | 1 | 1.020.318.00 | Edit switch compl. |
| 27 | 2 | 21.26.2357 | Screw M3x12 |
| 28 | 1 | 22.01.8020 | Nut M2 |
| 29 | 1 | 1.020.318.04 | Pin |
| 30 | 1 | 1.020.820.17 | Tension spring |
| 31 | 4 | 21.26.0354 | Screw M3x6 |
| 32 | 2 | 21.26.0355 | Screw M3x8 |
| 33 | 2 | 21.26.0354 | Screw M3x6 |
| 34 | 3 | 21.26.0459 | Screw M4x18 |
| 35 | 3 | 23.01.1043 | Washer |
| 36 | 1 | 1.020.300.07 | Guide |
| 37 | 1 | 21.26.0354 | Screw M3x6 |
| 38 | 1 | 1.077.130.02 | Mounting screw |
| from | 57329 | 1.116.099.02 | Mounting screw |
| 39 | 1 | 1.116.098.03 | Head spacer (just to No. 57328) |
| 40 | 1 | 1.010.017.23 | Washer |
| 41 | 2 | 1.177.425.02 | Spring |
| 42 | 1 | 1.177.426.03 | Headblock cover “STUDER” |

OPERATING SECTION
| INDEX | QTY | ORDER NUMBER | PART NAME |
|---|---|---|---|
| 01 | 1 | 1.177.100.12 | Knob, disk type |
| 02 | 1 | 1.177.100.11 | Knob |
| 03 | 3 | 1.177.100.10 | Knob |
| 04 | 2 | 1.068.700.23 | Knob |
| 05 | 2 | 1.166.450.03 | Lens red |
| 06 | 1 | 1.177.400.00 | Operating panel compl. (STANDARD) |
| 1.177.401.00 | Operating panel compl. (HS) | ||
| 1.177.402.00 | Operating panel compl. (DOLBY) | ||
| 1.177.403.00 | Operating panel compl. (LS) | ||
| 1.177.404.00 | Operating panel compl. (SLS) | ||
| 07 | 2 | 22.16.6004 | Lock washer |
| 08 | 1 | 1.177.100.05 | Side part left |
| 09 | 1 | 1.177.100.06 | Side part right |
| 10 | 1 | 1.177.430.00 | Flap compl. (Spring 1.010.026.37) |
| 11 | 2 | 1.177.190.03 | Button |
| 12 | 1 | 1.011.102.00 | Mains switch, single pole |
| 13 | 2 | 21.26.0354 | Screw M3x6 |
| 14 | 1 | 1.177.200.02 | Twin potmeter |
| 15 | 3 | 1.011.120.00 | Toggle switch |
| 16 | 3 | 1.011.301.01 | Housing |
| 17 | 3 | 1.011.301.00 | Rotary switch |
| 18 | 9 | 1.010.001.55 | Contact spring |
| 19 | 3 | 41.01.0240 | Steel ball |
| 20 | 3 | 1.010.040.37 | Pressure spring |
| 21 | 2 | 50.04.2114 | LED compl. |
| 22 | 2 | 51.02.0142 | Lampe type W2D, 24V, 1W |
| 23 | 2 | 1.177.205.01 | VU-meter |
| from | 58252 | 1.177.205.05 | VU-meter |
| 24 | 1 | 1.177.205.02 | Mounting bracket |
| 25 | 4 | 21.26.0372 | Screw M3x16 |
| 26 | 4 | 1.067.435.02 | Sleeve |
| 27 | 4 | 1.067.435.01 | Pressure spring |
| 28 | 1 | 1.177.205.04 | Bracket, right |
| 29 | 1 | 1.177.205.03 | Bracket, left |
| 30 | 1 | 1.177.210.00 | Motherboard compl. |
| 31 | 1 | 1.177.210.01 | Switch bar compl. |
| 32 | 1 | 1.177.190.00 | Speed selector compl. |
| 33 | 1 | 1.177.200.04 | Grounding spring |
| 34 | 1 | 1.177.200.05 | Sleeve |
| 35 | 2 | 1.166.450.02 | Lamp bezel |
| 36 | 1 | 21.26.0352 | Screw M3x4 |
| 37 | 4 | 21.26.0454 | Screw M4x6 |
| 38 | 4 | 54.02.0104 | Stereo Jack |
| 39 | 12 | 1.068.700.14 | Decor ring |