メインの電源基盤は、C1,C2コンデンサの交換などのため、取り外すこともあるかと思いますし、前回の記事でお届けした進相コンデンサのワイヤーストリップのための取り外しの場合もあるかと思います。
かなりややこしくなるのが、左右のモータードライブのハーネス接続。
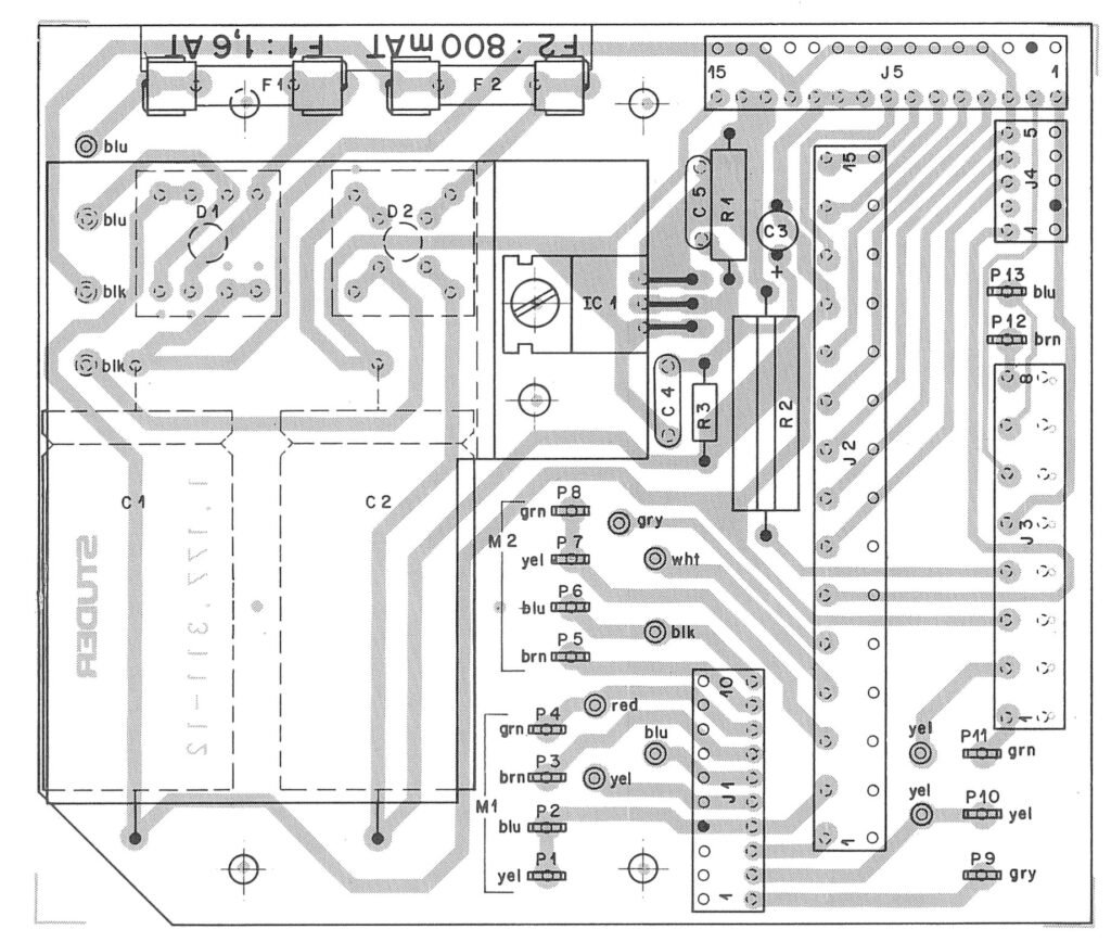
回路図を参照すれば問題ないので、回路図を引用しながら一緒にチェックしていきましょう。
この記事の執筆:朝比奈 幸太郎
音大卒業後、ピアニストとして渡独。
ドイツにてAchim Tangと共に『ピアノとコントラバスのためのソナタ』をリリース。
現地でステファン・デザイアー氏よりマルチマイク技術を習得。
帰国後、タイムマシンレコードの五島昭彦氏に弟子入り。
ステレオペア録音技術を学ぶ。
現在は五島氏より金田式DC録音技術を承継しながら
マイクロフォンの制作やヒーリング音響ブランドの展開。
タイムマシンレコードでは、引き続き金田式DC録音のアシスタントエンジニアとしてRevoxのレストア技術やサイトの管理、金田式の録音哲学と技術の継承に務めている。
カラーで分けられている

画像引用:公式マニュアル
回路図をチェックすると、P1からP8までハーネスがあります。
色分けされていて、実際に接続すると、P1が一番奥のハーネスになります。
F1,F2にヒューズが入っていると思いますが、これが接続時は一番手前に来るという具合ですね。
長さ的にもここしかはまらないようにはなっていますが、P1というのが、再生時送り出しのモーターハーネスです。
順番に黄色、青、茶色、緑という順番。
P5から始まるハーネスが巻取り側のモーターで、茶色、青、黄色、緑という順番。
また、巻取り側は、モータードライブ基盤の上を通りますが、送り出し側のハーネスは、メインの電源基盤の裏(フロントパネルに隣接)から通る形でやってきますので、注意。
取り付けは不器用だと結構しんどい感じですので慎重にゆっくりやっていきましょう。
J1のピン

かなり汚れていますが、ハーネスのP1からP8までの下に、J1のコネクタがあります。
その下の黒い部分がモータードライブ基盤になります。
C1とC2のコンデンサ交換
どうせ電源基盤を取り外したのであればC1とC2のコンデンサを交換しておいてください。
| POS NO | PART NO | VALUE | SPECIFICATIONS | EQUIVALENT | MFR |
|---|---|---|---|---|---|
| C 01 | 59.25.5222 | 2200 U | -10% 35V EL | ||
| C 02 | 59.25.5222 | 2200 U | -10% 35V EL | ||
| C 03 | 59.30.1101 | 100 U | -20% 3V TA | ||
| C 04 | 59.32.3104 | 100 N | 20% 40V CER | ||
| C 05 | 59.32.3104 | 100 N | 20% 40V CER | ||
| D 01 | 70.01.0226 | 280V/2A | Bridge Rect. SI | ||
| D 02 | 70.01.0226 | 280V/2A | Bridge Rect. SI | ||
| F 01 | 51.01.0119 | 1,6AT | 5 x 20 Slow Blow | ||
| F 02 | 51.01.0116 | 800 mAT | 5 x 20 Slow Blow | ||
| IC 01 | 50.05.0242 | 78 M 20 | 20V 0,5 A | F,T | |
| J 01 | 54.01.0290 | 10-Pole | Socket Strip | ||
| J 02 | 54.01.0535 | 15-Pole | “ | ||
| J 03 | 54.01.0546 | 8-Pole | “ | ||
| J 04 | 54.01.0288 | 5-Pole | “ | ||
| J 05 | 54.01.0219 | 15-Pole | “ | ||
| P 1-13 | 54.02.0320 | Flat Pin 0,8 AMP | |||
| R 01 | 57.42.4182 | 1,8 K | 5% .33W CF | ||
| R 02 | 57.56.4220 | 22 | 5% 4 W WW | ||
| R 03 | 57.41.4820 | 82 | 5% .25W CF | ||
公式の書き写しですが、2200μFで35Vですので、注意してください。
これは大は小を兼ねるで50Vまでのものでも構いませんし、筆者は50Vのものを選択しています。
ただし、両足ピンタイプのものが昨今は少なくなっているので両足ピン限定で探すとどうしてもとりあえずのものになってしまいます。
ここの電源基盤コンデンサはオリジナルで回す場合は、音質に直結するため、できるだけ音のいいコンデンサを付ける必要があります。
最高音質を求めるためにみなさんB77のレストアをしていると思いますのでここは妥協せずに最高のコンデンサを探しましょう。